polo.blue logo

Electronics and wiring diagrams

Volkswagen Polo 6R electronics information, electrical wiring diagrams etc.
  • Discover Media PQ – Interior Photos

    Discover Media PQ – Interior Photos

    Take a look inside the Discover Media PQ navigation unit. Photos showing the interior of the disassembled unit.

  • Pictures of the wirings from the driver’s airbag

    Pictures of the wirings from the driver’s airbag

    Photographs of the driver’s airbag wiring, connectors and plug pull.

  • Heated Windscreen – info

    Heated Windscreen – info

    Wiring information and wiring diagram for the heated windshield on the Polo 6R

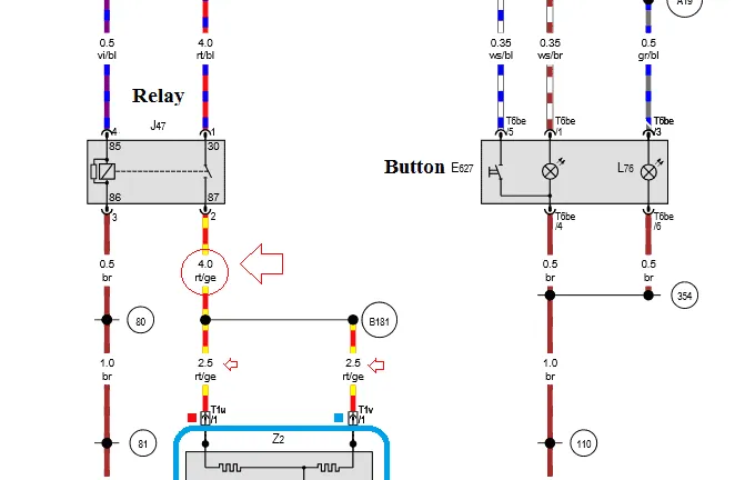
  • BCM PQ25: T73a & T73b – pinout system

    BCM PQ25: T73a & T73b – pinout system

    Info about pinout system of BCM PQ25.

  • Info about BCM PQ25 (J519) in VW Polo 6R

    Info about BCM PQ25 (J519) in VW Polo 6R

    Comprehensive guide to VW Polo 6R BCM (J519) modules. Check part numbers (084-090) for cruise control (CCS), bi-xenon/LED headlights, and start-stop retrofits.

  • Earth points

    Earth points

    Information about grounding points (GND) in VW Polo 6R.

  • Wiring taillights retrofit Polo 6C to 6R – DIY

    Wiring taillights retrofit Polo 6C to 6R – DIY

    Instruction to make adapters for VW Polo 6R for retrofitting the taillights of the VW Polo 6C Facelift.

  • Fuses and Relays in Polo 6R

    Fuses and Relays in Polo 6R

    Locate fuse and relay. Fuse box diagram. Identifying and legend fuse box from a Volkswagen Polo 6R.

  • Disconnecting the battery

    Disconnecting the battery

    How to properly disconnect VW battery – guide for models with battery in engine bay and trunk. Learn about safe disconnection and necessary steps after reconnecting.

  • createdy by
    spoko.space logo