Info
Podgrzewana szyba w Polo 6R – instalacja elektryczna

Istnieją 2 rodzaje podgrzewanej szyby przedniej – w zależności od mocowania lusterka wstecznego.
6RU 845 011F NVB–PR-4GX+4L26RU 845 011J NVB–PR-4GX+4L6
PR-Codes:
PR-4GX– Szyba przednia ze szkła termoizolacyjnego, podgrzewanaPR-4L2– Zwykłe wewnętrzne lusterko wstecznePR-4L6– Zrywalne wewnętrzne lusterko wsteczne, automatycznie ściemniające się
Alternator
Każde Polo Sedan z podgrzewaną przednią szybą wyposażone jest w alternator 140A. Jeśli szyba przednia jest bez ogrzewania to Polo Sedan ma alternator 110A. Przypuszczam, że dzieje się tak z powodu ogromnego zużycia energii przez przednią szybę. A jeśli włączysz wszystkie urządzenia (ogrzewanie przód + ogrzewanie tył, reflektory, światła przeciwmgielne, podgrzewane siedzenia itp.) to alternator 110A nie byłby w stanie poradzić sobie z poborem mocy na biegu jałowym silnika.
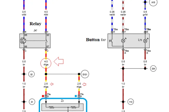
Schemat





źródło: ciclo’s thread